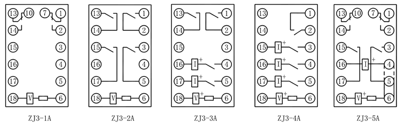
●觸點形式見下表

●額定電壓:24V、48V、110V、220V。
●電流保持值:具有電流保持繞組的繼電器,保持電流不大于80%額定保持值。
●電壓保持值:具有電壓保持繞組的繼電器,保持電壓不大于50%額定保持值。
●返回值:ZJ3-4A中間繼電器的返回值不小于額定值5%。
●線圈溫升:當周圍環境溫度為40℃時,其電壓繞組應能長期承受110%額定電壓,線圈溫升不超過65℃。
●介質強度:繼電器所有電路與外露非帶電金屬部分之間以及在電氣上無聯系的各電路之間的介質強度應能承受50Hz,2000V,1min的試驗,無擊穿或閃絡現象。
●絕緣電阻值:應不小于 300MΩ。
●觸點斷開容量:在直流有感(τ=5ms)回路,U≤250V,I≤2A為50W;在交流(cosφ=0.4)回路,U≤250V,I≤2A為250VA。
●功率消耗:不大于5W。
●觸點長期允許接通電流:10A,歷時10s。
●電壽命:5×10
4次。
●機械壽命:2.5×10
4次。